Willkommen im Feldmann Online-Shop x

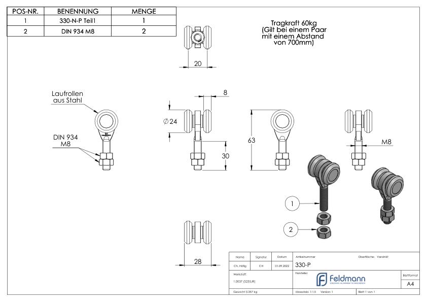
Laufrolle mit Kugellager

Beschreibung

Laufrolle mit Kugellager, passend zu Schiene 339/P (klein), verzinkt
Gewicht: 0,07